1950년대부터 전류 루프는 공정 모니터링 및 제어를 위해 변환기 데이터를 전송하는 데 사용되었습니다. 낮은 구현 비용, 노이즈에 대한 고유한 내성 및 장거리 신호 전달 기능을 갖춘 전류 루프는 산업 환경에 특히 적합한 것으로 입증되었습니다. 이 백서는 전류 루프의 기본 사항, 시스템 설계 및 설정에 대해 중점적으로 설명합니다.
전류 루프 기본 사항

전류를 사용하여 트랜스듀서 데이터 전송
산업용 등급의 변환기는 일반적으로 전류 신호를 사용하여 데이터를 전송합니다. 이는 전압 신호를 사용하는 열전대 및 저항성 스트레인 게이지와 같은 대부분의 다른 트랜스듀서와 대조됩니다. 전압 기반 트랜스듀서는 많은 환경에서 충분하지만 전류 기반 트랜스듀서가 선호되는 경우가 있습니다.
예를 들어, 산업 환경에서 전압을 사용하여 신호를 전송할 때의 고유한 단점은 와이어 저항으로 인해 긴 케이블 길이에 걸쳐 전압이 강하된다는 것입니다. 높은 입력 임피던스 장치를 사용하여 신호 손실을 피할 수 있습니다. 그러나 이러한 장치는 주변 모터, 컨베이어 벨트 및 무선 전송으로 인해 발생하는 소음에 민감합니다.
키르히호프의 현행법(KCL)에 따르면 한 지점을 향해 흐르는 전류의 합은 해당 지점에서 멀어지는 전류의 합과 같습니다. 이론적으로 루프의 시작 부분에 존재하는 모든 전류는 그림 1과 같이 끝에 도달해야 합니다.

그림 1. Kirchhoff의 현행 법칙에 따르면 루프의 시작 부분에 존재하는 모든 전류는 끝에 도달해야 합니다.
이것이 전류 루프가 작동하는 기본 원리입니다. 단일 루프를 따라 어느 위치에서나 전류를 측정하면 동일한 결과가 생성됩니다. 전류 신호와 저임피던스 데이터 수집 장치를 사용함으로써 산업용 어플리케이션은 더 나은 노이즈 내성과 더 긴 전송 케이블 길이의 이점을 누릴 수 있습니다.
전류 루프 구성 요소
전류 루프의 주요 구성 요소에는 그림 2와 같이 DC 전원 공급 장치, 변환기, 데이터 수집 장치 및 이들을 직렬로 연결하는 와이어가 포함됩니다.

그림 2. 전류 루프 시스템
DC 전원 공급장치는 시스템에 전원을 공급합니다. 변환기는 4 - 20 mA에서 와이어를 통과하는 전류의 흐름을 조절하며, 여기서 4 mA는 라이브 제로를 나타내고 20 mA는 최대 신호를 나타냅니다.
0mA 신호는 루프의 단절을 의미합니다. 데이터 수집 장치는 조정된 전류 흐름을 측정합니다. 전류를 측정하는 효과적이고 정확한 방법은 데이터 수집 디바이스 증폭기(그림 2)의 리드 사이에 정밀 션트 저항기를 배치하여 전류 신호를 전압 측정으로 변환하여 궁극적으로 트랜스듀서의 원래 측정과 다시 관련되도록 하는 것입니다.
시스템 사양은 다음과 같습니다.
- 변환기는 압력을 측정해야 합니다.
- 변환기는 측정 장치에서 2000피트 떨어진 곳에 있습니다.
- 데이터 수집 장치의 전류 측정은 작업자에게 트랜스듀서 측정에 대한 피드백을 제공합니다
이 예는 응용 분야에 적합한 트랜스듀서를 결정하는 것으로 시작합니다.
전류 루프 시스템 설계
변환기
선택 전류 루프 시스템 설계의 첫 번째 단계는 변환기를 선택하는 것입니다. 측정 유형(유량, 압력, 온도 등) 외에도 트랜스듀서를 선택할 때 중요한 고려 사항은 작동 전압입니다. 전압 소스는 전류 기반 변환기에 전원을 공급하여 전선을 통한 전류 흐름을 조절할 수 있습니다. 변환기 기능을 유지하려면 공급되는 전압이 필요한 최소 이상이어야 합니다. 마찬가지로 지정된 최대값보다 더 많은 전압을 공급하면 변환기가 손상될 수 있습니다.
전류 루프 시스템의 예에서 선택한 변환기는 압력을 측정하고 작동 전압은 12 - 30V입니다. 트랜스듀서를 선택한 상태에서 트랜스듀서에 가해지는 압력을 정확하게 표현하려면 전류 신호를 적절하게 측정해야 합니다.
전류 측정 데이터 수집 디바이스
선택 전류 루프 시스템 구축의 중요한 측면은 접지 루프를 피하는 것입니다. 측정 데이터 수집 장치로 접지 루프를 방지하는 일반적인 방법은 절연입니다. 절연을 사용하면 그림 3과 같은 접지 루프를 피할 수 있습니다.

그림 3. 접지 루프
접지 루프는 회로에 연결된 두 단자가 서로 다른 접지 전위에 있을 때 생성됩니다. 이러한 차이로 인해 상호 연결에 전류가 흐르게 되어 오프셋 오류가 발생할 수 있습니다.
데이터 수집 디바이스를 분리하는 것은 그림 4와 같이 데이터 수집 디바이스의 증폭기 접지에서 신호 소스 접지를 전기적으로 분리하는 수단입니다. 전류가 절연 장벽을 가로질러 흐를 수 없기 때문에 증폭기 접지 레퍼런스는 신호 소스 접지와 동일한 전위에 있을 수 있습니다. 따라서 실수로 접지 루프를 만들 수 없습니다.

그림 4. 공통 모드 및 정상 모드 전압(절연 포함)
또한 절연은 큰 공통 모드 전압이 데이터 수집 디바이스를 손상시키는 것을 방지합니다. 공통 모드 전압은 계측 증폭기의 양극 및 음극 입력 모두에 존재하는 전압입니다.
예를 들어, 그림 4에 있는 데이터 수집 디바이스의 + 및 – 핀은 모두 +14 V의 공통 모드 전압 위에 있습니다. 많은 데이터 수집 디바이스의 최대 입력 범위는 ±10 V입니다. 데이터 수집 디바이스에 절연이 없고 공통 모드 전압이 최대 입력 범위를 벗어나면 디바이스가 손상될 수 있습니다. 그림 4의 정상 모드 전압은 +2VDC 오프셋에서 +14V에 불과하지만 결과 작동 전압은 +16V입니다(정상 모드 전압은 + 핀과 – 핀 간의 전압 차이이고 작동 전압은 정상 및 공통 모드 전압을 더한 값임). 이는 작동 전압이 더 작은 데이터 수집 디바이스에 대한 위험한 전압 레벨입니다.
절연을 통해 증폭기 접지 기준은 접지와 전기적으로 분리됩니다. 그림 4에서와 같이, 증폭기 접지 기준은 +14 V와 일치하도록 레벨 시프트될 수 있으며, 증폭기 접지 기준을 +14 V로 올리면 데이터 수집 증폭기에서 +16 V에서 +2 V까지 효과적으로 이동하게 됩니다. 이제 데이터 수집 디바이스는 더 이상 과전압 손상의 위험이 없습니다. (아이솔레이터는 거부할 수 있는 최대 공통 모드 전압을 가지고 있습니다.)
전류 측정 데이터 수집 디바이스가 절연 및 보호되는 상태에서 전원 공급 장치를 매칭하는 것은 기본 전류 루프 시스템을 완성하는 마지막 단계입니다.
전원 공급 장치 선택 요구 사항에 가장 적합한 전원 공급 장치를 찾는 것은 간단합니다. 전류 루프에서 전원 공급 장치는 시스템의 모든 전압 강하를 합친 것보다 크거나 같은 전압을 방출해야 합니다.
이 예제의 데이터 수집 디바이스는 정밀 션트 저항을 사용하여 전류를 측정합니다. 저항의 전압 강하를 계산해야 합니다. 일반적인 션트 저항기는 249 Ω입니다. 4 - 20mA 전류 루프로 기본 계산을 구현하면 다음과 같습니다.



이 249 Ω 션트 저항기를 사용하면 전류를 1 - 5 V 범위로 매핑할 수 있으므로 데이터 수집 증폭기의 전압 판독값을 압력 트랜스듀서의 신호와 연관시킬 수 있습니다.
위의 압력 트랜스듀서는 최소 12V, 최대 30V의 작동 전압이 필요합니다. 정밀 션트 저항기의 전압 강하를 트랜스듀서에 추가하면 다음과 같은 결과가 나옵니다.

이는 17V 전원 공급 장치로 충분하다는 것을 의미합니다. 그러나 전류 루프 와이어의 내부 저항은 전원 공급 장치에 추가 부하를 생성합니다.
변환기가 측정 장비에서 멀리 떨어져 있는 응용 분야에서는 루프 전력 계산에 와이어 저항을 고려해야 합니다. 구리선은 길이와 직경(게이지)에 정비례하는 DC 저항을 가지고 있습니다. 예제 시스템의 압력 트랜스듀서를 사용하여 전력 요구 사항에서 2000피트 거리를 계산해야 합니다. 24게이지 단선 구리선의 경우 내부 저항은 2.62 Ω/100피트[1]입니다. 이 저항 계산은 다음과 같습니다.


2000피트 떨어진 곳에서는 전선을 따라 1.05V 강하가 있습니다. 루프를 완료하려면 길이를 4000피트로 효과적으로 두 배로 늘리는 두 개의 와이어가 필요합니다.

전체적으로 약 2.1 V는 압력 트랜스듀서가 데이터 수집 장치에서 2000 ft 떨어져 있을 때 배선으로 인해 손실됩니다. 모든 전압 강하를 결합하면 다음과 같은 결과가 발생합니다.

17V 전원 공급 장치를 사용하여 이전 설정을 구동한 경우 압력 트랜스듀서 전압은 자연 와이어 저항 및 션트 저항 요구 사항으로 인해 트랜스듀서의 최소 작동 레벨보다 낮습니다. 일반적인 24V 전원 공급 장치를 선택하면 압력 트랜스듀서 시스템의 전원 요구 사항을 충족할 수 있습니다. 원하는 경우 압력 변환기를 더 멀리 배치할 수 있는 충분한 전압이 있습니다.
트랜스듀서, 데이터 수집 장치, 케이블 길이 및 전원 공급 장치가 적절하게 일치하면 간단한 압력 트랜스듀서 루프 시스템이 완성됩니다. 대규모 어플리케이션의 경우 추가 측정을 시스템에 통합할 수 있습니다.
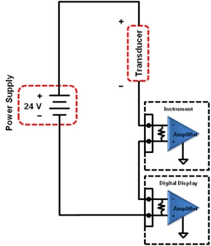
더 많은 트랜스듀서 및 기기
추가 더 큰 응용 분야의 경우 그림 5와 같이 전원 공급 장치에 병렬로 더 많은 트랜스듀서와 기기를 추가할 수 있습니다.

그림 5. 더 많은 변환기 추가
추가 전류 루프를 병렬로 추가하기 때문에 전원 공급 장치의 전압을 변경할 필요가 없습니다. 필요한 전류를 공급할 수 있는지 확인하기만 하면 됩니다. 각 변환기와 전원 공급 장치의 작동 전압이 일치하는 한 다양한 유형의 변환기를 혼합하고 일치시킬 수 있습니다. 이전 예에서 새 트랜스듀서의 최대 작동 전압이 전원 공급 장치의 24V보다 낮지 않은 한 새 트랜스듀서를 병렬로 추가할 수 있습니다.
때로는 동일한 신호를 측정하기 위해 여러 개의 전류 측정 데이터 수집 디바이스가 필요할 수 있습니다. 동일한 트랜스듀서에 다른 데이터 수집 디바이스를 추가하려면, 새 계측기를 특정 루프와 직렬로 배치해야 합니다. 이 예에서는 그림 6과 같이 기존 데이터 수집 디바이스와 함께 간단한 디지털 전류 루프 미터를 추가합니다.

그림 6. 트랜스듀서에 추가 기기 추가
트랜스듀서와 직렬로 전류 측정 데이터 수집 디바이스를 추가할 때마다, 루프의 전력 요구사항이 사양 내에 있는지 확인하기 위해 총 전압 요구사항을 다시 계산해야 합니다. 이 예에서 새 전류계는 105 Ω 정밀 저항기를 사용합니다.


105 Ω 션트 저항을 사용하는 경우 전류계에는 최대 2.1V가 필요하므로 시스템의 총 전압 요구 사항은 다음과 같습니다.

미터를 추가하면 총 전압 요구 사항이 약 21.2V에 불과하기 때문에 이전에 권장된 24V 전원 공급 장치만으로도 애플리케이션에 충분합니다.
간단한 계산과 추가 하드웨어를 통해 전류 루프 시스템의 애플리케이션 기반을 빠르게 확장할 수 있습니다. 또한 새로운 표준 및 유형의 트랜스듀서를 사용하여 기존 전류 루프 인프라의 측정 기능을 확장할 수 있습니다.
전류 루프: 기본 그 이상
디지털 시그널링 개발은 현재 루프의 애플리케이션 공간을 넓히고 이미 강력하고 저렴한 시스템에 더 많은 기능을 제공했습니다.
Rosemount Inc.에서 개발한 HART(Highway Addressable Remote Transducer)는 기존 전류 루프 시스템과 동시에 실행할 수 있는 디지털 신호 프로토콜입니다. 디지털 시그널링을 통해 HART 지원 트랜스듀서는 독점 명령에 대한 응답이 특정 작업을 수행하거나 4 - 20 mA 전류 시그널링을 초과하는 상태로 응답할 수 있도록 합니다. 이 기술을 사용하여 산업 자동화 및 제어 어플리케이션은 지능형 필드 계측기와 호스트 시스템 간의 통신을 통해 상황을 능동적으로 모니터링하고 대응할 수 있습니다.
전자식 유량계와 같은 특수 응용 분야의 경우 3선식(유형 3) 및 4선식(유형 4) 변환기도 사용할 수 있습니다.
유형 3 트랜스듀서는 두 개의 트랜스듀서가 하나로 패키징되어 있습니다. 이 트랜스듀서는 이 백서에 설명된 2선식 트랜스듀서와 동일한 방식으로 설계 및 설치됩니다.
타입 4 트랜스듀서는 전력 및 전류 측정을 위한 별도의 연결을 제공합니다. 4-와이어 트랜스듀서는 측정 시스템에서 전력을 분리하기 때문에 측정 데이터 수집 디바이스에서 절연 요구 사항이 필요하지 않습니다. 그러나 4선 변환기의 단점은 전원에 케이블 연결 거리를 실행해야 하는 별도의 전선 쌍이 필요하다는 것입니다. 이로 인해 많은 응용 분야에서 전원을 변환기 근처에 배치합니다.
내쇼날인스트루먼트의 전류 측정 제품
전류 루프는 긴 케이블 길이가 필요하거나 트랜스듀서와 데이터 수집 디바이스 사이에 많은 양의 전자기 간섭이 존재하는 산업 환경에 이상적입니다. 공장 현장을 자동화하든 현장 측정을 수행하든, 어플리케이션 요구를 충족하기 위해 다양한 플랫폼에서 다양한 NI 절연 전류 측정 디바이스를 찾을 수 있습니다.
C 시리즈 전류 입력 모듈, PXI 다기능 I/O 모듈, 다기능 I/O 디바이스 제품의 일부로 권장 옵션이 포함되어 있으며, 다른 전류 측정 옵션을 살펴볼 수도 있습니다.

'데이터계측분석 > 데이터계측 기술자료' 카테고리의 다른 글
| 아날로그 전압 입력으로 전류 측정 (0) | 2023.05.03 |
|---|---|
| 2개의 싱킹 I/O 또는 2개의 소싱 I/O 연결 (0) | 2023.05.01 |
| 측정 노이즈 줄이는 방법 (0) | 2023.05.01 |
| 전류 측정방법 (0) | 2023.05.01 |
| 데이터 계측과정에서 생기는 고스팅 현상을 제거하는 방법 (0) | 2023.04.27 |