대역 통과 필터를 사용하면 다른 주파수에서 이러한 신호를 분리하더라도 두 개의 특정 주파수 사이에 신호를 공급할 수 있습니다. 이러한 유형의 대역 통과 필터는 다양한 유형으로 제공됩니다. 일부 대역 통과 필터 설계는 다음과 같은 외부 전원 및 능동 부품으로 만들어집니다. 트랜지스터 및 집적 회로를 활성 BPF라고 합니다. 마찬가지로, 일부 필터는 수동 BPF라고 하는 인덕터 및 커패시터와 같은 전원 및 수동 부품을 사용합니다. 이 여과기는 무선 전송기 & 수신기에서 적용 가능합니다.
송신기의 BPF는 출력 신호의 대역폭을 필요한 최소 수준으로 제한하고 이상적인 속도와 형태로 데이터를 전송하는 데 사용됩니다. 마찬가지로, 수신기의 이 필터를 사용하면 선호하는 주파수 레벨 내의 신호를 디코딩할 수 있으며 불필요한 주파수의 신호는 발생하지 않습니다. 수신기의 S/N 비율은 대역 통과 필터를 통해 최적화됩니다.

1. 활성 대역통과필터란? - Active Band Pass Filter
필터를 형성하기 위해 저항기 및 커패시터와 함께 연산 증폭기와 같은 능동 구성 요소를 사용하는 대역 통과 필터 유형을 활성 대역 통과 필터라고 합니다. 이 대역 통과 필터는 필터링 외에도 입력 신호를 증폭하지만 외부 전원이 필요합니다.
이 대역 통과 필터는 아래 그림과 같이 HPF, 증폭기 및 LPF를 캐스케이딩하여 설계되었습니다. HPF와 LPF 사이의 증폭기 회로는 절연을 제공하고 전체 전압 이득을 제공합니다. 두 필터의 차단 주파수 값은 변동을 최소화하여 유지되어야 합니다. 이 변동이 매우 작으면 저역 통과와 고역 통과 단계 사이에 상호 작용이 발생할 가능성이 있어 증폭 회로가 필요합니다.
활성 대역 통과 필터는 주파수 범위(즉, 통과대역 또는 필터의 대역폭)보다 높거나 낮은 주파수를 감쇠하여 작동합니다. 해당 대역 통과 범위의 주파수를 가진 모든 신호는 단순히 필터를 통과합니다. 대역 통과 외부에 있는 모든 주파수는 감소하거나 감쇠됩니다.

2. 활성 대역통과필터 동작방식
활성 대역 통과 필터 회로는 아래와 같습니다. 이 회로는 개별 저역 통과 및 고역 통과 수동 필터를 함께 캐스케이딩하여 설계할 수 있습니다. 이 제품은 넓은 통과 대역을 포함하는 낮은 "품질 계수" 유형의 필터를 제공합니다. 활성 대역 통과 필터의 1차 단계는 주 소스의 DC 바이어싱을 차단하기 위해 커패시터를 사용하는 고역 통과 단계입니다.

이 회로 설계는 단일 절반을 통해 상당히 평평한 비대칭 통과 대역 주파수 응답을 생성하는 이점이 있으며, 이는 저역 통과 응답을 의미하는 반면 나머지 절반은 고역 통과 응답을 의미합니다.

더 높은 코너 포인트 'ƒH'와 더 낮은 코너 주파수 차단 포인트 'ƒL'은 일반 1차 LPF 및 HPF 회로에서 이전과 동일하게 계산됩니다. LPF와 HPF 스테이지 사이의 상호 작용을 피하기 위해 두 컷오프 포인트 사이에 합리적인 분리가 필요합니다. 증폭기는 필터 회로의 전체 전압 이득을 설명하기 위해 두 필터 단계 사이에 절연을 제공하는 데 도움이 됩니다.
따라서 필터 대역폭은 더 높은 -3dB 포인트와 더 낮은 -3dB 포인트 사이의 차이입니다. 활성 BPF의 정규화된 주파수 응답 및 위상 변이는 다음과 같습니다.
1) 주파수 대역
위의 수동 조정 필터 회로가 BPF로 작동하면 대역폭이 상당히 넓을 수 있습니다. 작은 대역으로 주파수를 분리하려는 경우 문제가 될 수 있습니다. 활성 대역 통과 필터는 반전 연산 증폭기로 설계할 수도 있습니다.
따라서 필터에서 저항기 및 커패시터의 위치를 재구성함으로써, 훨씬 더 나은 필터 회로를 생성할 수 있습니다. 하한 컷오프 -3dB 포인트는 활성 BPF에 대해 'ƒC1'로 지정되고 더 높은 컷오프 -3dB 포인트는 'ƒC2'로 지정됩니다.
위의 필터에는 HPF와 LPF의 두 가지 중심 주파수가 있습니다. 고역 통과 필터 중심 주파수는 LPF의 중심 주파수에 비해 낮아야 합니다.
진폭 응답은 LPF 및 HPF 응답과 관련이 있습니다. 응답 곡선은 주로 캐스케이딩 필터의 순서에 따라 달라집니다.

2) Q 팩터
활성 대역통과 필터의 상한 -3dB 코너 포인트 사이에 있는 실제 통과대역의 전체 폭이 회로의 Q-factor를 결정한다. Q factor 값이 낮으면 필터의 대역폭이 더 넓습니다. 결과적으로 Q 계수가 높을수록 필터가 좁아집니다.
때때로 활성 대역 통과 필터의 Q 팩터는 그리스 기호 'α'로 표시되며 알파 피크 주파수라고 합니다.
α = 1/Q
활성 BPF의 'Q'는 'ƒr'(중심 공진 주파수) 주변의 필터 응답의 "선명도"와 관련이 있으므로 필터의 댐핑이 더 많고 필터의 응답이 더 평평하기 때문에 Damping Factor(또는) Damping Coefficient라고도 합니다. 필터는 댐핑이 적고 필터 응답이 더 날카롭습니다.
감쇠비는 그리스 기호 'ξ'로 표시됩니다.
ξ = α/2
활성 대역 통과 필터의 품질 계수는 더 높은 -3dB 주파수와 더 낮은 -3dB 주파수 사이의 ƒr(공진 주파수)과 BW(대역폭)의 비율입니다.

3. 활성 대역통과 필터 유형
활성 대역 통과 필터에는 두 가지 유형이 있습니다. 광대역 통과 필터와 협대역 통과 필터입니다.
1) 광대역 통과 필터
품질 계수(Q) 값이 10 미만이면 통과 대역이 넓고 더 큰 대역폭을 제공합니다. 따라서 이 BPF는 광대역 통과 필터(Wide Band Pass Filter)로 알려져 있습니다. 광대역 통과 필터에서 높은 차단 주파수는 낮은 차단 주파수에 비해 더 커야 합니다.
첫째, 신호는 HPF를 통과하고, 이 파일러의 출력 신호는 끝에서 LPF에 주어지는 무한대가 되는 경향이 있습니다. 이 LPF는 더 높은 주파수 신호를 저역 통과시킵니다. HPF가 LPF를 통해 캐스케이드될 때마다 간단한 BPF를 얻을 수 있습니다. 이 필터를 이해하려면 LPF 및 HPF 회로의 순서가 유사해야 합니다.
하나의 1차 LPF와 HPF를 계단식으로 배열하면 2차 BPF가 제공됩니다. 두 개의 HPF와 두 개의 1차 LPF를 계단식으로 연
결하여 4차 BPF를 형성합니다. 이러한 캐스케이딩으로 인해 회로는 낮은 품질의 계수 값을 제공합니다. 1차 HPF 내의 커패시터는 i/p 신호의 DC 바이어싱을 차단합니다. 두 정지 대역 모두에서 롤오프되는 이득은 2차 필터 케이스에서 ± 20dB/decade입니다. LPF와 HPF는 첫 번째 순서에만 있어야 합니다.
두 필터가 2차일 때마다 두 저지대역에서 이득 롤오프는 약 ± 40dB/Decade 됩니다.
대역 통과 필터 전압 이득에 대한 표현은 다음과 같습니다.
Vout/Vin = Amax * (f/fL) / √(1+(f/fL)² (1+(f/fH)²
LPF와 HPF의 개별 이득에 의해 달성되므로 필터의 이득은 다음과 같이 제공됩니다.
- HPF를 위한 전압 이득
Vout/Vin = Amax1 * (f/fL) / √[1+(f/fL)²]
- LPF를 위한 전압 이득
Vout / Vin = Amax2 /√[1+(f/fH)²]
Amax = Amax1 * Amax2
여기서 'Amax1'은 HPF 스테이지의 이득이고 'Amax2; 는 LPF 스테이지의 이득입니다.
광대역 필터 응답은 아래와 같습니다.

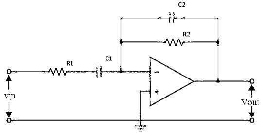
2) 협대역 통과 필터
품질 계수 값이 10보다 높으면 통과 대역이 좁아지고 통과 대역 대역폭도 작아집니다. 따라서 이 필터를 협대역 통과 필터라고 합니다. 이 필터는 연산 증폭기와 같은 활성 구성 요소가 두 개가 아닌 하나만 사용합니다. 이 회로에 사용되는 연산 증폭기는 반전 구성입니다. 이 필터의 연산 증폭기 이득은 'fc' 중심 주파수에서 최대입니다.
협대역 통과 필터 회로는 아래와 같습니다. 입력은 연산 증폭기의 반전 입력 단자에 제공되며, 연산 증폭기는 반전 구성으로 알려져 있습니다. 이 협대역 BPF 회로는 좁은 BPF 응답을 제공합니다.

이 필터 회로의 전압 이득은 AV = – R2 / R1입니다.
이 필터 회로의 차단 주파수는 다음과 같습니다.
fC1 = 1 / (2π*R1*C1)
fC2 = 1 / (2π*R2*C2)
4. 활성대역통과 필터 장단점
활성 대역 통과 필터의 장점은 다음과 같습니다.
- 선호하는 주파수 범위 신호를 보내거나 전송하는 데 도움이 되므로 에너지를 절약하는 데 도움이 됩니다.
- 두 주파수 범위 사이의 신호를 필터링하는 데 도움이 됩니다.
활성 대역 통과 필터의 단점은 다음과 같습니다.
- 활성대역 통과 필터는 선호하는 주파수 범위의 주파수만 통과할 수 있도록 합니다.
- 특히 협대역 대역폭에서 사용할 때마다 과도하게 제한적일 수 있습니다. 따라서 이로 인해 사운드가 공허하거나 얇게 느껴지기 위해 상당한 주파수 성분이 손실됩니다.
- 고가
- 복잡한 제어 시스템을 가지고 있습니다.
- 주파수 범위가 제한되어 있습니다.
'데이터계측분석 > 전기전자 기술자료' 카테고리의 다른 글
| 가우스 법칙의 이해 (0) | 2024.09.24 |
|---|---|
| USB 프로토콜의 데이터형식과 동작방식 (0) | 2024.09.23 |
| 가변 주파수 드라이브(VFD)의 동작원리 (0) | 2024.09.21 |
| OLED 기술의 종류와 동작방식 (0) | 2024.09.20 |
| 반파정류기의 이해 (0) | 2024.09.20 |